AA0501 Dual-channel All-ceramic Syringe Pump
2023-04-10

1684220847258910.png

Functions

Precise sampling, quantification and injection with adjustable speed

Suitable for various fluids

Automatic stop for overrange protection, emergency stop and automatic reset.

Completely empty the liquid or remove the air bubbles in the chamber

The sampling volume can be observed by the positioning pin or precisely determined by    the motor driver


Application

It can be used as for precise sampling of various analytical instruments for industries ,  laboratories or scientific research institutes.


Features

The barrel and piston are made of ceramic material that has wear resistance corrosion resistance and high-temperature resistance, which is suitable for various fluids.

No dead space cavity and dual channel design ensure no residue or air bubbles in the pump.

It can be used at sharply changing temperatures with a stable and long lasting life.

Rigid sealing and high-precision grinding technologies guarantee excellent air tightness and precise quantification. 

Easy assemble achieved by connecting the female threaded inlet/outlet ports in the barrel and male threaded connectors.

Simple and compact structure, easy installation and disassembly.

Fluid path can be switched by the host computer with RS-485 serial port communication.

The shape and size can be designed and processed according to customer's needs.

Customized product can be manufactured based on special needs.

Patent No. 201922118428.7; 201922118119.X.

图片1.png


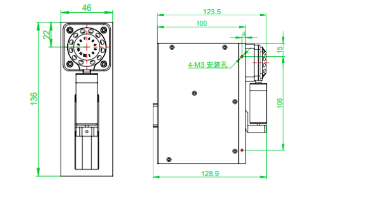
Syringe pump size

(I) AA05010302 type

图片1.png

QQ图片20230516143214.png



QQ图片20230516143214.png

(ii) AA05011002; AA05012502 

QQ图片20230516155359.png

Examples of application

1684224530858755.png






Nmol

SALES DEPARTMENT:025-69933188    18205179989
AFTER SALES DEPARTMENT:025-69933189
CUSTOMER SERVICE TEL:025-69933192
E-MAIL:3609009857@qq.com
ADDRESS:88, RUNQI ROAD, JIANGNING DISTRICT, NANJING, JIANGSU, CHINA
Copyright © Nmol All rights reserved.